اینورتر

نحوه اتصال اینورتر های vfd به plc و سیستم های کنترل

نحوه اتصال اینورتر های vfd به plc

کنترل‌کننده‌های منطقی قابل برنامه‌ریزی (PLC) و درایوهای فرکانس متغیر (VFD) نقش کلیدی در اتوماسیون صنعتی و بهبود فناوری‌های تولید ایفا می‌کنند. VFD‌ها با کنترل دقیق سرعت و گشتاور، عملکرد بهینه موتورهای الکتریکی را ممکن می‌سازند، در حالی که PLC‌ها با برنامه‌ریزی دقیق، بخش‌های مختلف کارخانه از جمله موتورها را مدیریت و کنترل می‌کنند. ترکیب این دو تجهیز، امکان کنترل هوشمند و خودکار موتورهای الکتریکی را فراهم می‌کند، به طوری که PLC می‌تواند مدیریت کامل VFD را بر عهده بگیرد و همه نیازهای مرتبط با کنترل موتور الکتریکی را به‌صورت دقیق و برنامه‌ریزی‌شده اجرا کند. با این حال، دستیابی به این سطح از عملکرد هوشمند مستلزم اتصال صحیح و اصولی VFD به PLC است که این اتصال به روش‌های مختلفی قابل پیاده‌سازی است. برای آشنایی با نحوه اتصال اینورتر های vfd به plc و سیستم های کنترل در ادامه با ما همراه باشید.

 

بیشتر بخوانید:

تجهیزات جانبی در اینورتر ها چیست ؟

 

نحوه اتصال اینورتر های vfd به plc و سیستم های کنترل

اتصال صحیح اینورتر (VFD) به PLC (کنترل‌کننده منطقی برنامه‌پذیر)، یکی از اصول اساسی در پیاده‌سازی سیستم‌های اتوماسیون صنعتی است. این فرآیند به بهبود کنترل و عملکرد دستگاه‌ها، صرفه‌جویی در انرژی و افزایش بهره‌وری کمک می‌کند. در ادامه مراحل و نکات کلیدی برای انجام این اتصال توضیح داده شده است:

۱. انتخاب تجهیزات مناسب

برای شروع، باید اینورتر و پی ال سی متناسب با نیازهای پروژه انتخاب شوند. نکات مهم در این مرحله عبارتند از:

  • اطمینان از سازگاری اینورتر و PLC از نظر برند یا پروتکل‌های ارتباطی.
  • تطابق مشخصات فنی دستگاه‌ها با توان مورد نیاز و نوع موتور.

۲. مطالعه مدارک فنی و دستورالعمل‌ها

بررسی دقیق دفترچه راهنما و مدارک فنی هر دو دستگاه ضروری است. این اطلاعات شامل:

  • نقشه‌های سیم‌بندی
  • تنظیمات فنی
  • پروتکل‌های ارتباطی پشتیبانی‌شده و محدودیت‌ها می‌شود.

۳. انتخاب پروتکل ارتباطی مناسب

ارتباط بین PLC و اینورتر می‌تواند از طریق پروتکل‌های مختلف صورت گیرد، مانند:

  • Modbus RTU
  • Ethernet/IP
  • Profibus
  • CANopen
    پروتکل انتخابی باید برای هر دو دستگاه پشتیبانی و به درستی پیکربندی شود.

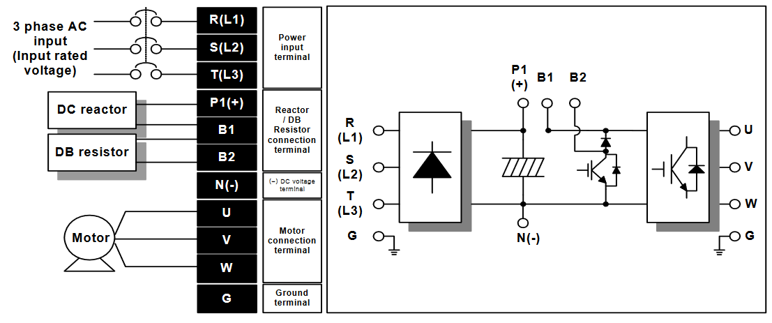
۴. سیم‌بندی صحیح

برای اتصال بین دستگاه‌ها، مراحل زیر را دنبال کنید:

  1. اتصال سیگنال‌های دیجیتال
    سیم‌های مربوط به سیگنال‌های دیجیتال (مانند استارت، استوپ، چرخش به جلو/عقب) متصل شوند.
  2. اتصال سیگنال‌های آنالوگ
    در صورت کنترل سرعت یا فرکانس از طریق سیگنال آنالوگ (مانند 0-10 ولت یا 4-20 میلی‌آمپر)، پین‌های مشخص شده را متصل کنید.
  3. اتصال شبکه یا ارتباط سریال
    اگر از پروتکل‌های ارتباطی (مثل Modbus RTU) استفاده می‌کنید، پورت RS-485 روی PLC و اینورتر را به‌درستی سیم‌بندی کنید.

۵. تنظیمات اینورتر

با استفاده از پنل کنترل اینورتر یا نرم‌افزار مخصوص آن، پارامترهای زیر را تنظیم کنید:

  • آدرس دستگاه (Slave ID) برای پروتکل‌هایی مانند Modbus
  • تنظیم نرخ باود (Baud Rate)، تعداد بیت‌های دیتا و پاریتی
  • مقدار پارامترهای کنترل موتور (مانند زمان شتاب و کاهش سرعت)

۶. پیکربندی PLC

به وسیله نرم‌افزار برنامه‌نویسی PLC (مانند TIA Portal برای محصولات زیمنس)، برنامه‌ای برای کنترل اینورتر نوشته می‌شود. مواردی که باید در برنامه لحاظ شوند:

  • ارسال فرمان‌های کنترلی (مانند استارت، استوپ و تغییر سرعت)
  • خواندن اطلاعات وضعیت موتور (مانند خطاها، سرعت لحظه‌ای یا گشتاور)

۷. تست و راه‌اندازی

پس از انجام سیم‌بندی و پیکربندی، مراحل زیر را دنبال کنید:

  1. سیستم را روشن کنید و ارتباط بین PLC و اینورتر را امتحان کنید.
  2. فرمان‌های کنترل (استارت/استوپ، تغییر سرعت و …) را ارسال کنید و اطمینان حاصل کنید که اینورتر به درستی پاسخ می‌دهد.
  3. وضعیت عملکرد دستگاه‌ها را بررسی کرده و در صورت بروز مشکل، پارامترها یا سیم‌بندی را بازبینی کنید.

Rate this post

دیدگاهتان را بنویسید

نشانی ایمیل شما منتشر نخواهد شد. بخش‌های موردنیاز علامت‌گذاری شده‌اند *