مقالات آرتا اینورتر

اینورتر بالابر و آسانسور
راهنمای جامع اینورتر آسانسور و بالابر | خرید، قیمت و نصب آسانسورها و بالابرها بخش جداییناپذیر ساختمانهای مدرن امروزی هستند.

اینورتر پمپ آب | راهنمای خرید و نصب
اینورتر پمپ آب چیست؟ اینورتر پمپ آب یا همان اینورتر درایو پمپ آب دستگاهی است که سرعت و توان موتور

اینورتر جرثقیل | کاربرد، خرید و معرفی بهترین مدلها
راهنمای کامل خرید اینورتر جرثقیل (صفر تا صد انتخاب تا راهاندازی) ضربههای شدید جرثقیل هنگام شروع و توقف، نوسان خطرناک

لیست کامل خطاهای اینورتر ال اس (LS) به همراه راه حل (22 خطای مرسوم)
لیست خطاهای اینورتر ال اس ls مواجهه با یک کد خطا روی نمایشگر اینورتر ال اس شما میتواند نگرانکننده باشد.

بررسی تفاوت های اینورتر های VFD با درایو های DC
“VFD” یکی از انواع درایوها است که با تغییر فرکانس جریان ورودی، سرعت موتور را کنترل کرده و این امکان

نحوه اتصال اینورتر های vfd به plc و سیستم های کنترل
کنترلکنندههای منطقی قابل برنامهریزی (PLC) و درایوهای فرکانس متغیر (VFD) نقش کلیدی در اتوماسیون صنعتی و بهبود فناوریهای تولید ایفا

کاربرد اینورتر های vfd در صنایع پمپ و فن
VFD یا درایو فرکانس متغیر، دستگاهی است که برای کنترل سرعت موتورها با تغییر در ولتاژ و فرکانس ورودی به

بهینه سازی مصرف انرژی با استفاده از اینورتر vfd
موتورهای الکتریکی بهطور کلی بر اساس نیازهای گشتاور و قدرت سیستمهای مختلف صنعتی انتخاب میشوند. این انتخاب معمولاً بر اساس

راه حل های رفع عیب رایج در اینورتر های VFD
اینورتر با نامهای مختلفی شناخته میشود، مانند درایو فرکانس متغیر (VFD)، درایو AC، کنترلکننده موتور AC و دیگر اصطلاحاتی که

تنظیمات اولیه و پارامتر های مهم در اینورتر های vfd
عبارت “VFD” مخفف Variable Frequency Drive یا همان “درایو فرکانس متغیر” است. این دستگاهها با نامهای دیگری چون “درایو سرعت متغیر”

آموزش نصب و راه اندازی اینورترهای آیمستر imaster
اینورتر آی مستر (مدلهای ADT iMaster) با تنوع در مدلهای U1، C1، E1 و A1، به عنوان یکی از محبوبترین

شناخت سری های مختلف اینورتر هایتک hitek و کاربرد های آن ها
اینورترهای هایتک Hitek با بهرهگیری از تکنولوژی مدرن و طراحی پیشرفته، نمایانگر کارایی بالا و قابلیتهای هوشمند در صنایع مختلف

بررسی ویژگی های اینورتر ال اس LS و مزایای آن ها
شرکت LS کره جنوبی، با بهرهگیری از تجربه و تخصص خود در زمینه اتوماسیون صنعتی، اینورترهای با کیفیتی را در

نحوه انتخاب اینورتر مناسب برای کاربرد های مختلف صنعتی
برای انتخاب صحیح مبدل فرکانس (اینورتر)، باید چندین پارامتر کلیدی را در نظر گرفت تا علاوه بر برآوردن نیازهای فرآیند

مقایسه اینورتر های vfd برند ال اس هایتک و آیمستر
درایو فرکانس متغیر (VFD) یک سیستم کنترلی الکترونیکی است که برای تنظیم سرعت موتورها به کار میرود. این دستگاهها با

اینورتر های vfd و کاربرد های آن در صنعت
اینورتر یا درایو فرکانس متغیر (VFD) دستگاهی است که با استفاده از تکنولوژی سوئیچینگ نیمههادی، توانایی تغییر فرکانس و ولتاژ

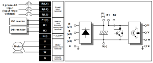
دیاگرام اینورتر آیمستر U1
دیاگرام اینورتر آیمستر U1 برای مشاهده مشخصات کامل اینورتر آیمستر کلیک کنید.

سوالات متداول پیرامون اینورتر ایمستر A1 و E1
در این قسمت سوالات متداول پیرامون اینورتر آیمستر A1 و E1 را برای شما گردآوری نموده ایم. به منظور اطلاع

نکاتی در مورد اینورترها ( قسمت دوم )
چند نکته مهم درمورد اینورترها ( قسمت اول ) به کارگیری فناوری های پیشرفته در اینورترها : فناوری هایی از

نکاتی در مورد اینورترها ( قسمت اول )
چند نکته مهم درمورد اینورترها ( قسمت اول ) عملکرد : اینورتر ها جریان مستقیم را به سیگنال متناوب تبدیل

سیم کشی اینورتر ال اس ig5a
نقشه سیم بندی اینورتر ال اس ig5a مشخصات فنی اینورتر ال اس IG5A کنترل به روش های V/F و sensorless

لیست خطاهای اینورتر آیمستر
مدل های درایو ایمستر اینورتر های آیمستر ساخت کشور کره جنوبی است. این شرکت توانسته با پشت سر گذاشتن رقبای

لیست خطاهای اینورتر هایتک
مدل های اینورتر هایتک اینورتر های هایتک در سه مدل f100,f300,f200 تولید شده است . اما در بازار ایران تنها

تجهیزات جانبی در اینورتر ها چیست ؟
توضیح مختصری پیرامون اینورتر اینورتر دستگاهی الکترونیکی است که جریان مستقیم را به جریان متناوب تبدیل میکند. به جریان مستقیم

تنظیمات اینورتر ال اس سریIS7
تنظیمات اینورتر ال اس سریIS7 اینورتر ها یکی از مهمترین اجزای سیستم های الکتریکی محسوب میشوند. اینورتر ال اس سری

تعمیر اینورتر- تعمیر اینورتر در اصفهان و تهران
اينورتر چيست؟ اینورتر یک وسیله است که جریان مستقیم (DC) را به جریان متناوب (AC) تبدیل می کند و کنترل

دانلود کاتالوگ لودسل سوها SI400R
دانلود کاتالوگ لودسل سوها SI400R آرتا نمایندگی لودسل سوها در ایران.

مزایای استفاده از اینورتر
اینورترها در هر کاربردی که تجهیزات مکانیکی با موتور تغذیه میشوند، مورد استفاده قرار میگیرند. اینورترها توانایی کنترل بسیار دقیقی

چگونه چند موتور را با یک اینورتر راه اندازی کنیم؟
ما همگی آگاهی داریم که وجود اینورتر برای راه اندازی موتور در سرعتهای متغیر بسیار مهم است. استفاده از الکترونیک

در خرید و استفاده از لودسل باید به چه نکاتی توجه نمود ؟
در باسکول، قطعات مختلفی در حال کار هستند تا وزن را اندازهگیری کنند. اما قطعه اصلی و حیاتی یک باسکول

8 عامل مهم در انتخاب اینورتر
وقتی برای موتور درایوی را انتخاب میکنیم، اولین سؤالی که از خودمان میپرسیم این است : « موتور چه توانی

چگونگی کاهش نویز های الکتریکی در اینورتر های ال اس
از سری مشکلاتی که ممکن است با آن برخورد کرده باشید در دستگاه های الکترونیکی نویز می باشد. امروزه وسایل

طریقه تشخیص اینورتر های اورجینال برند ال اس LS از سری قاچاق
اگر شما هم جزو افرادی هستید که قصد خرید اینورتر ال اس را دارند اما نگران غیر اورجینال بودن آن

انواع نویز الکترومغناطیسی مؤثر بر عملکرد درایو
انواع نویز الکترومغناطیسی موثر بر عملکرد درایو نویز الکترومغناطیسی از روش های اتصال فیزیکی و ساطعشدن امواج، روی تجهیزات اثر میگذارد.

دانلود پی دی اف کالیبراسیون دستگاهای SI580E ، SI480E ، SI460A ، SI480C
دانلود پی دی اف کالیبراسیون دستگاه SI580E و SI480E کالیبراسیون دستگاه SI480E و SI580E دانلود پی دی اف کالیبراسیون دستگاه

تنظیمات اینورتر ال اس IC5
تنظیمات اینورتر ال اس IC5 تنظیمات اینورتر ال اس IC5 نیازمند آشنایی با کیپد و دکمههای آن است. در زیر

تنظیمات اینورتر IG5A + نکات ایمنی در نصب
تنظیمات اینورتر IG5A اینورتر ال اس IG5A یک مدل درایو است که دارای تنظیماتی با استفاده از یک دکمه و

سوالات متداول اینورتر آیمستر C1
اینورتر iMaster C1 در چه رنج توانی تولید می شود ؟ اطلاعات در مورد محصول اینورتر آیمستر C1 نشان می

سوالات متداول پیرامون اینورتر آیمستر u1 ( بخش دوم )
آیا اینورتر آی مستر U1 واحد ترمز یا داینامیک بریک داخلی دارد ؟ بله، Inverter iMaster U1 در تمامی رنج

سوالات متداول پیرامون اینورتر آیمستر u1 ( بخش اول )
اینورتر iMaster U1 در چه رنج توانی تولید میشود ؟ کیبد اینورتر iMaster U1 یک دستگاه قدرتمند در زمینه تبدیل

آموزش جامع لودسل و سیستم های توزین | شروع کار با لودسل
برای کسب اطلاعات بیشتر از لودسل سوها بر روی کلمه لودسل سوها کلیک کنید. بیشتر بخوانید : طرز کار لودسل

تنظیمات اینورتر ال اس | تنظیمات اینورتر هایتک | تنظیمات اینورتر آیمستر
تنظیمات اینورتر اگر اینورتر ال اس، اینورتر هایتک و یا اینورتر آیمستر تهیه نموده اید و به دنبال تنظیمات آن

اینورتر استوک | اینورتر دست دوم اصفهان
امروزه با بالا رفتن ارز در کشور اینورتر استوک یا اینورتر دست دوم در اصفهان طرفدار های خود را پیدا

روش کالیبراسیون لودسل برای کاربردهای توزین چیست؟
چگونه یک لودسل را کالیبره کنیم؟ در این مقاله قصد داریم در رابطه با کالیبراسیون لودسل با شما صحبت کنیم.استفاده

بررسی عوامل خرابی اینورتر
بررسی عوامل خرابی اینورتر شاید برای شما این سوال مطرح باشد که دلیل خرابی اینورتر ها و یا طول عمر

لودسل چیست؟
لودسل چیست؟ لودسل یک حسگر الکترونیکی است که برای اندازهگیری وزن و نیرو استفاده میشود. با اعمال نیرو بر روی این